
JPL1350系列偏光顯微鏡是利用光的偏振特性對具有雙折射性物質進行研究鑒定的必備儀器。它在醫學上有廣泛的用途,如觀察齒、骨、頭發、及活細胞等的結晶內含物、神經纖維、動物肌肉、植物纖維等的結構細節,分析變性過程。也可以觀察無機化學中各種鹽類的結晶狀況在自然光看不到的精細結構。
性能特點
▲ 配置大視野目鏡和消色差物鏡,視場大而且清晰;
▲ 粗微動同軸調焦機構,粗動松緊可調,帶限位鎖緊裝置,微動格值:2μm;
▲ 6V20W鹵素燈透射照明,亮度可調;標準配置
型號 JPL-1350JPL-1350A目鏡 大視野 WF10X(Φ18mm) 物鏡 消色差物鏡 4X/0.10 消色差物鏡 10X/0.25 消色差物鏡 40X/0.65 (彈簧) 消色差物鏡 100X/1.25(彈簧,油) 目鏡筒 雙目鏡,傾斜30? 檢偏器 推拉式 Sliding 調焦機構 粗微動同軸調焦, 微動格值:2μm,帶鎖緊和限位裝置 轉換器 四孔(內向式滾珠內定位) 載物臺 旋轉式載物臺(直徑:Φ120mm) 雙層機械移動式載物臺附加(Φ100mm)旋轉式載物臺(尺寸:135mmX125mm 移動范圍:75mmX35mm) 阿貝聚光鏡 NA.1.25 可上下升降 濾色片 藍濾色片 磨砂玻璃 起偏器 可360?旋轉 集光器 鹵素燈照明適用 照明系統 6V 20W 鹵素燈,亮度可調
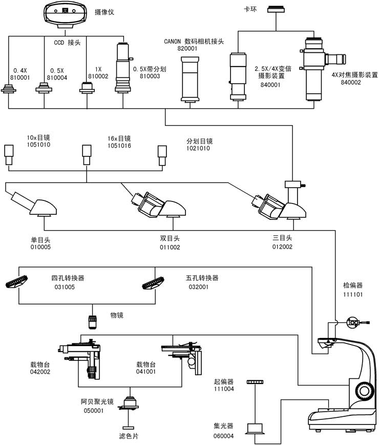
選配件
名稱 類別/技術參數 編號目鏡 大視野 WF16X(Φ11mm) 1051016分劃 10X(Φ18mm) 格值0.1mm/格 1021010目鏡筒 單目鏡,可360?旋轉,傾斜30º 010005三目鏡, 傾斜30º 可同時觀察與攝影 012002轉換器 五孔 (內向式滾珠內定位) 032001濾色片 綠濾色片 115002黃濾色片 115003CCD接頭 0.4X 8100010.5X 8100041X 8100020.5X帶分劃尺,格值0.1mm/格 810003攝像儀 DV-1帶USB和Video輸出 800001DV-2帶USB輸出 800003DV-3帶Video輸出 800005攝影裝置 2.5X/4X變倍攝影裝置帶10X取景目鏡 8400014X對焦攝影裝置 840002MD卡環 840003PK卡環 840004數碼相機接頭 CANON(A610,A620,A630,A640) 820001

- 地址:廣東省廣州市越秀區淘金北路81號
- 020-83573203 83573538 傳真:020-83591831
- EMAIL:mail@lissgx.com,83573538@163.com
- Copyright © 2013 廣州粵顯光學儀器有限責任公司 版權所有   粵ICP備19127766號   SNL | 網站設計
