

L3230 DIC微分干涉相襯顯微鏡適用于對多種物體的顯微觀察。配置落射DIC觀察系統與透射照明系統、無限遠長距平場消色 差物鏡、大視野目鏡和偏光觀察裝置,具有圖像立體感且清晰、造型美觀,操作方便等特點,是生物學、金屬學、礦物學、精密工程學、電子學等研究的理想儀器。性能特點★ 采用優良的無限遠光學系統,可提供卓越的光學性能。★ 緊湊穩定的高剛性主體,充分體現了顯微操作的防振要求。★ 符合人機工程學要求的理想設計,使操作更方便舒適,空間更廣闊。★ 內置式可切換偏光觀察裝置,起偏器可360°旋轉。★ 微分干涉相襯觀察時圖像清晰,干涉色均勻,具有較強的浮雕感。







- 標準配置
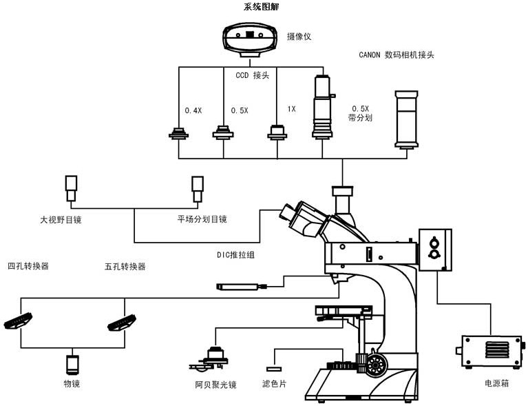
型號 L3230DIC目鏡 大視野無色差 SWF10X(Φ22mm) 物鏡 無限遠長距平場消色差物鏡(無蓋玻片) LMPlan5X/0.12 DIC 工作距離:15 mm LMPlan10X/0.25DIC 工作距離:10.5 mm LMPlan20X/0.4DIC 工作距離:4.5mm PL L40X/0.60 工作距離:3.98 mm DIC 觀察系統 適用于 LMPlan5X/LMPlan10X/LMPlan20X DIC物鏡 目鏡筒 三目鏡, 30?傾斜,雙目鏡組 落射照明系統 12V 50W 鹵素燈,亮度與燈炮位置可調 內置視場光欄、孔徑光欄、(黃、藍、綠、磨砂玻璃)濾色片轉換裝置,推拉式檢偏器與起偏器 調焦機構 粗微動同軸調焦, 微動格值:2μm,帶鎖緊和限位裝置 轉換器 五孔(內向式滾珠內定位) 載物臺 雙層機械移動式(尺寸:210mmX140mm,移動范圍:63mmX50mm) 透射照明系統 阿貝聚光鏡 NA.1.25 可上下升降 藍濾色片和磨砂玻璃 集光器,鹵素燈照明適用(內置視場光欄) 12V 30W 鹵素燈,亮度可調
選配件名稱 類別/技術參數 編號目鏡 分劃目鏡10X(視場數Φ22mm) 格值0.10mm/格 物鏡 無限遠長距平場消色差物鏡(無蓋玻片) PL L50X/0.70(彈簧) 工作距離:3.68mm 2260150PL L60X/0.70(彈簧) 工作距離:2.08mm 2260160PL L80X/0.80(彈簧) 工作距離:1.25 mm 2260180PL L100X/0.85(彈簧干式) 工作距離:0.40mm 2260111轉換器 四孔(內向式滾珠內定位) 032001濾色片 綠濾色片 115002黃濾色片 115003CCD接頭 0.5X 8100041X 8100020.5X帶分劃尺,格值0.1mm/格 810003攝像儀 DV-1 Video輸出 & USB輸出 DV-130 / 300 / 500 /1000 帶USB輸出 DV-3帶Video輸出(380/520 電視線) 數碼相機接頭 CANON(EF) NIKON( F) 820001 

- 地址:廣東省廣州市越秀區淘金北路81號
- 020-83573203 83573538 傳真:020-83591831
- EMAIL:mail@lissgx.com,83573538@163.com
- Copyright © 2013 廣州粵顯光學儀器有限責任公司 版權所有   粵ICP備19127766號   SNL | 網站設計
